Thunder Documentation

Low rise architecture

What is a low rise building

The definition of a low-rise building vary depending on what country you are. Generally speaking, a low rise building is a building that is short in height and has only a few stories. Typically a low rise building is:

  • 1 to 3 stories

  • Does not require has much safety system as a high rise building

It is important to do the distinction between a low-rise building and a high rise building because regulation are not the same. A low rise building require less safety than a high rise building.

The Thunder Emergency Communication System has a variation specially for low rise buildings that meet the regulation.

Criteria to select a low rise architecture

Here are the criteria to select a low rise architecture.

  • You have a low rise building

  • You have a maximum of four elevator

  • You have only one machine room or the elevators are physically close one another (the length of the cable is below 1000m from the supervisor to all the elevators).

  • The total power capacity is meet for the supervisor. See section XX to

What the code requires for a low rise building?

The code has requirement for part in the elevator such has:

0146da20-f51b-43cc-882a-8694d901f1f3.png


image-20260120-192850.png
image-20260120-192904.png
image-20260120-192920.png

The Thunder Emergency Communication System for low rise meet all does requirements.

Thunder Emergency Communication System for low rise building

In each Thunder network, there is a supervisor. The supervisor is the core of the Thunder Emergency Communication System since it is the supervisor that watch over all the equipement add relay the information to the outer world. In a low rise architecture, all the equipment are connected to the supervisor. It is also the supervisor that provide the power to every equipment.

image-20260120-200849.png
Thunder Emergency Communication System for low rise buildings

The phone, the Thunder Cabin Phone, the Thunder Line Monitoring Alarm and the client ethernet are all connected to the Supervisor. Normally, the supervisor is located in the machine room. The following section shows every equipment in the right location.

Machine Room

  • Elevator phone TP0022

  • Supervisor TG1132 or TG1164

Elevators

  • Thunder Cabin phone TCXXXX

Lobby

  • Thunder Line Monitoring Alarm

Front desk

  • Thunder Lobby phone TP7020

Maximum length

Make sure to respect the maximum length from the supervisor to the equipment

CAT5

Twisted pair

1000m (3280,84)

1000m (3280,84)

General rule of thumb for determining if a low rise architecu for determining if a low rise architecture is a valid choice

In some cases, it could be possible that the building is consider has a low rise building, but due to the complexity of the building, the Thunder Emergency Communication System for low rise buildings is too limiting. In this case, it is better to use a Thunder Emergency Communication System for high rise buildings that offer more flexibilities. xibilities.

How to choose between a Supervisor TG1132 or a Supervisor TG1164

These two kind of supervisor have the same functionalities. They both provide the power to all the equipment and they relay the information to the exterior. The only difference is that the TG1132 can communicate with a maximum of two elevator and the TG1164 can communicate with a maximum of 4 elevators. The choice of the supervisor is dictate by the number of elevator to use. Let us have a closer look at the TG1132.

TG1132

If your low rise project requires a maximum of 2 elevators, you need a TG1132. The figure below present a TG1132.

image-20260121-162452.png

The cabin #1 and cabin #2 connectors are to connect the Thunder Cabin Phone such as a TC4340, a TC7082 (7” screen), a TC1082 (10” screen) and a TC1582 (15” screen). These connectors deliver data as well as power to the Thunder Cabin Phone.

The TG1132 as a maximum power delivery capacity of 30W. In the case of a TC1582, the power needed is 20W. The TG1132 can power only one TC1582. If you need more TC1582, consider using a TG1164 or switching to a high rise architecture.

There is three PoE connectors. The port 1 and 3 can be used to connected a Thunder Phone such as a TP0022 and a TP7012. These port deliver power to the Thunder Phone. The port 2 most be used to connect the internet. It can be client internet or it can be a Thunder LTE Cellular internet.

The LMA connector are used to connect the Thunder Line Monitoring Alarm. Each LMA can be configured to activate on a specific event and can be linked to a specific equipement. The norm is to have one LMA per machine room. The TG1132 can accommodate up to four Thunder Line Monitoring Alarm.

The touchscreen is used to access the TG1132. The working and the configuration will be explain in another section.

This figure shows the possible item that can be connected.

image-20260121-185825.png

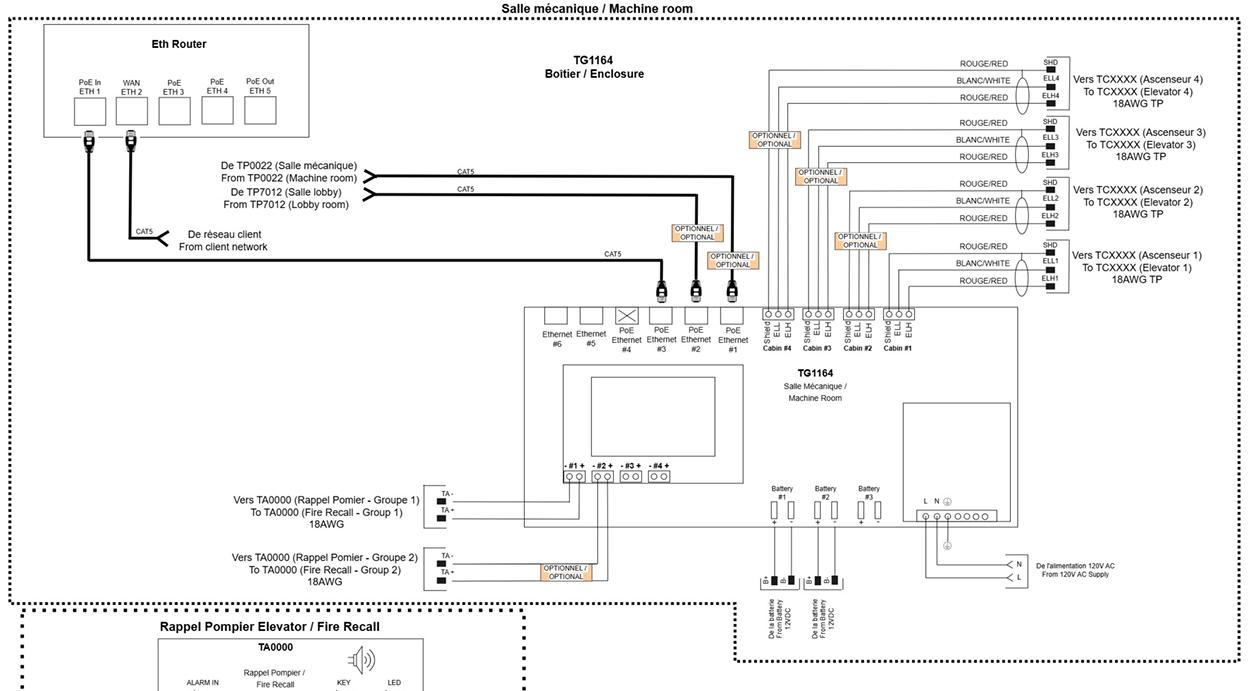
TG1164

If your low rise project requires a maximum of four elevators, you need a TG1164. The figure below present a TG1164.

image-20260121-195725.png

The cabin #1, #2, #3, #4 connectors are to connect the Thunder Cabin Phone such as a TC4340, a TC7082 (7” screen), a TC1082 (10” screen) and a TC1582 (15” screen). These connectors deliver data as well as power to the Thunder Cabin Phone.

The TG1164 as a maximum power delivery capacity of 60W. In the case of a TC1582, the power needed is 20W. The TG1164 can power only two TC1582. If you need more TC1582, consider switching to a high rise architecture. Refer to the high rise architecture for more information.

There is six PoE connectors. The port 1, 2, 5 and 6 can be used to connect Thunder Phone such as a TP0022 and a TP7012. These port deliver power to the Thunder Phone. The port 4 most be used to connect to the provided switch. The internet is connected to the port 2 of the ethernet switch. It can be client internet or it can be a Thunder LTE Cellular internet.

The LMA connector are used to connect the Thunder Line Monitoring Alarm. Each LMA can be configured to activate on a specific event and can be linked to a specific equipement. The norm is to have one LMA per machine room. The TG1132 can accommodate up to four Thunder Line Monitoring Alarm.

The touchscreen is used to access the TG1164. The working and the configuration will be explain in another section.

Case where you need to foresee an expansion

If you are doing a project that as many phase and you are doing one elevator at a time, something you need to plan ahead and maybe a low rise architecture is not the right choice. If your project will have many elevator, maybe you should consider using a high rise architecture because the migration will be easier in later step of the project.