Thunder Documentation

High rise architecture

What is a high rise building

The definition of a high rise building vary depending on what country or region you are. Generally speaking, a high rise building is a building with the following characteristics:

  • 7-10 stories

  • Require additional safety system

The most notable characteristic is that those building requires additional safety system. In North America the ASME A17.1-2019/CSA B44:19 Safety Code For Elevators specify the safety requirement that every elevator most have. Below are the safety requirement for a high rise building.

ASME A17.1-2019/CSA B44:19 Safety Code requirement for a high rise building

The code has requirement for part in the elevator such has:

0146da20-f51b-43cc-882a-8694d901f1f3.png


image-20260120-192850.png
image-20260120-192904.png
image-20260120-192920.png

In addition, the code require that a local means is available to communicate with every elevator. This means must be available to the first responder. Every building must to equipped with a lobby phone panel to call every elevator in that building. The Thunder Emergency Communication System for high rise building meets all the requirement for the high rise building. In addition, this system is simple and intuitive to use.

Criteria to select a high rise architecture

Below are the criteria to select a Thunder Emergency Communication System for high rise building.

  • You have a high rise building

  • Your building require more than four elevators and you can not use a Limited Use/Limited Application (LULA) elevator

  • You have more than two machine rooms.

If one of those criteria are meet, most of the time you will need a Thunder Emergency Communication System for high rise buildings.

A low rise building could require a Thunder Emergency Communication System if the building is too complex.

It is important to note that if a low rise building has a high level of complexity, it could be easier to use a high rise Thunder Emergency Communication System as this system scale better and is more efficient for complex installation. This is why you need to verify the criteria below. If you have any question regarding if yes or no you should use a low rise or a high rise system, communicate with our marketing team or access the section about choosing the right Thunder Emergency Communication System for the right building type.

Thunder Emergency Communication System for high rise building

  • The purpose of this section is to present the architecture

    • Need to present the architecture at a high level

    • Need to present the supervisor

    • Need to present the gateway

The below figure shows the Thunder Emergency Communication System. Each room has specific equipment. The below figure present a typical Thunder Emergency Communication System wiring diagram.

image-20260122-170756.png

In this system, the supervisor is the central unit. The network access is connected to the supervisor. Each machine room has a dedicated gateway. The gateway is connected to every accessories in the machine room for exemple the Thunder Cabin Phone, the machine room phone and the LMA.

The next section will detail all the equipment and there functionalities as well as how to scale the system.

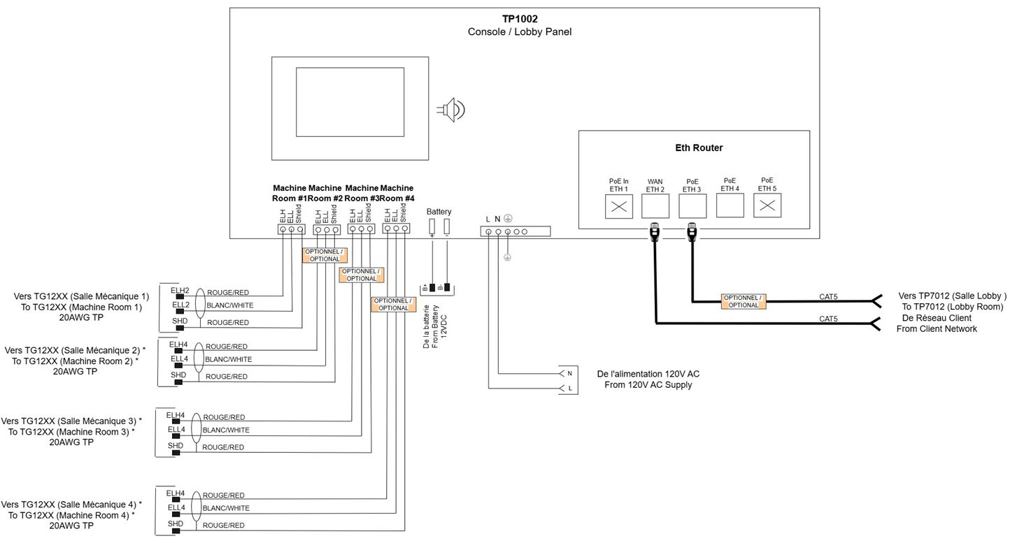
TP1022 Supervisor

Every Thunder Emergency Communication System start with the TP1022 supervisor. In a high rise architecture, the TP1022 supervisor has two role.

  • Act as a lobby panel phone

  • Act as a supervisor (configure the system, diagnose the system, see the system status)

The TP1022 supervisor is specifically made to be the compliant with a high rise building. The supervisor is the central unit of the Thunder Emergency Communication System. From the supervisor you can view the status of the whole system, you can configure the whole system and you can call other Cabin phone or other desk phone in the building. In addition to be the central unit, the supervisor is also the main lobby phone panel.

The TP1022 supervisor is specifically made for a high rise system. A TG1132 Supervisor or a TG1164 Supervisor can not be used in a high rise system.

image-20260122-191310.png


Router connection

The client internet has to be connected to the port 2 of the router like shown on the figure. It is possible to connect an optional TP7012 desk phone on port 3 or port 4. Port 1 and port 5 are reserved and must not be used.

Connection to the gateway

The TP1022 has four machine room connector. Those connectors are use to connect to a gateway in the machine room. It is a twisted pair AWG 20. The maximum length is 1000m. It is possible to have a maximum of four machine room. Each machine room can have up to 8 elevators cabin.

TG1232 Gateway and TG1264

In a Thunder Emergency Communication System for high rise building, gateways (TG1232 or TG1264) are use has a central unit in a machine room. The role of the gateway is to relay the information from every phone to the callee. The gateways also provide the power to every phone as well as backup battery power.

The difference between the TG1232 and the TG1264 is only related to the number of Thunder Cabin Phone that can be connected. The following section explains how to choose between the TG1232 Gateway and the TG1264 Gateway.

How to choose between a TG1232 Gateway or a TG1264 Gateway

Depending on how many elevators there is in the machine room, you can choose between a TG1232 and a TG1264. If the machine room has two or less elevators, you can choose a TG1232. If the machine room has between two and four elevators, you must choose a TG1264.

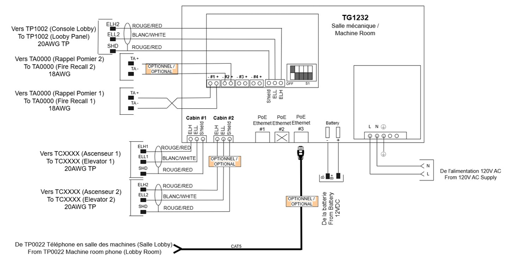
TG1232

If your machine room has a maximum of two elevator, you can use a TG1232. The TG1232 connect all the Thunder phone, the LMA and provide a backup battery power for all the equipment. The figure below present a wiring diagram for a TG1232.

image-20260123-155118.png

The cabin #1 and cabin #2 connectors are to connect the Thunder Cabin Phone such as a TC4340, a TC7082 (7” screen), a TC1082 (10” screen) and a TC1582 (15” screen). These connectors deliver data as well as power to the Thunder Cabin Phone.

The TG1232 as a maximum power delivery capacity of 30W. In the case of a TC1582, the power needed is 20W. The TG1232 can power only one TC1582. If you need more TC1582, consider using a TG1264.

There is three PoE connectors. The port 1 and 3 can be used to connected a Thunder Phone such as a TP0022 and a TP7012. These port deliver power to the Thunder Phone. The port 2 most be used to connect the internet. It can be client internet or it can be a Thunder LTE Cellular internet.

The LMA connector are used to connect the Thunder Line Monitoring Alarm. Each LMA can be configured to activate on a specific event and can be linked to a specific equipment. The norm is to have one LMA per machine room. The TG1232 can accommodate up to four Thunder Line Monitoring Alarm.

The touchscreen is used to access the TG1232. The working and the configuration will be explain in another section.

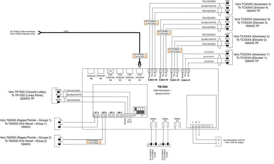
TG1164

If your machine room project requires a maximum of four elevators, you need a TG1264. The figure below present a TG1264 wiring diagram.

image-20260123-155723.png

The cabin #1, #2, #3, #4 connectors are to connect the Thunder Cabin Phone such as a TC4340, a TC7082 (7” screen), a TC1082 (10” screen) and a TC1582 (15” screen). These connectors deliver data as well as power to the Thunder Cabin Phone.

The TG1264 as a maximum power delivery capacity of 60W. In the case of a TC1582, the power needed is 20W. The TG1164 can power only two TC1582.

There is six PoE connectors. The port 1, 2, 5 and 6 can be used to connect Thunder Phone such as a TP0022 and a TP7012. These port deliver power to the Thunder Phone. The port 4 most be used to connect to the provided switch. The internet is connected to the port 2 of the ethernet switch. It can be client internet or it can be a Thunder LTE Cellular internet.

The LMA connector are used to connect the Thunder Line Monitoring Alarm. Each LMA can be configured to activate on a specific event and can be linked to a specific equipment. The norm is to have one LMA per machine room. The TG1264 can accommodate up to four Thunder Line Monitoring Alarm.

The touchscreen is used to access the TG1264. The working and the configuration will be explain in another section.

Maximum length

Make sure to respect the maximum length from the supervisor to the equipment

CAT5

Twisted pair

1000m (3280,84)

1000m (3280,84)